Today 26/02/2026 - 07:58:53 PM
Remember
You Shopping Cart
0 Items
Total: $ 0.00
Home Page
About Us
Support
New Products
Promotions
Order required
Contact
VNĐ
Vietnamese
Hardware, Tools...
Programmer & Adapter
Adapters and Accessory
Socket Adapter
Adapter for PCB50
Universal Programmers
8051 Programmer
ARM Programmer
AVR Programmer
PIC Programmer
RENESAS Emulator and Programmer
TI Programmer
XILINX Programmer
Infineon Programmer
Development Board
Mini PC
Arduino and Shields
ST Board
8051 Board
ARM Board
AVR Board
PIC Board
Accessory Boards
Ethernet Modules
Interfacer Converter
Keypad Modules
LED Module / Driver
MCU Card / PCB
MMC/SD Module
Motor Driver
Relay Modules
Real Time Clock (RTC)
Audio REC/Play Board
Car Products
LED Bulbs for Cars
Clock / Temperature
GSM GPRS and GPS
Module Products
Accessories
Wireless
WIFI module
LoRa
Bluetooth
RF Data Transceiver
NFC / RFID
RF Remote & Receiver
Power Supply and Battery
Battery Cell
AC/DC Power Supply
DC/DC Power Supply
LED Driver
Tools and Equipment
Test Instruments
Soldering & Desoldering
Solder and Accessory
Pliers, Tweezers
Other Tools
Semiconductor & Sensor
Sensors, Transducers
Capacitive Touch Sensors
Gyroscopes
Colors Sensors
Light Sensors
Infrared Sensors
Distance Sensors
Current, Hall Effect, Magnetic
Acceleration Sensors
Humidity / Temperature
PIR / Motion
Gas Sensors
Pressure Sensors
Microcontroller (MCU)
ATMEL Microcontroller
8051 Microcontroller
ATMega AVR MCU
Tiny AVR Microcontroller
AT Xmega AVR
ARM Microcontroller
Microchip Microcontroller
PIC12F MCUs
PIC16F MCUs
PIC18F MCUs
dsPIC30/33F MCUs
PIC24F MCUs
NXP Microcontroller
8051 Architecture
32-bit ARM
ST Microcontroller
STM8 MCUs
STM32 MCUs
TI Microcontroller
GD Microcontroller
Renesas Microcontroller
Toshiba Microcontroller
Memory ICs
AT88SC0104C-SU
24Cxx Serial EEPROM
25Cxx Serial EEPROM
93Cxx Serial EEPROM
Serial Flash Memory
RAM Memory
Clocks & Timers ICs
Real-Time Clock (RTCs)
Timers & Support
Interface, Network ICs
CAN Interface ICs
RS-232 / 485 / 422
Ethernet ICs
USB Interface ICs
UART, IO Ports
Telephone Ringers ICs
Data Conversion ICs
DAC (D/A Converters)
DAC (D/A Converters)
Digital & Logic ICs
140xxx Series
40xxx Series
74xxx DIP
74xxx SMD
Switch IC
GAL16V8D-15LP
Translation-Voltage Level
Digital Potentiometer IC
Digital Isolator IC
Driver & Motor control ICs
Motor Controllers & Driver
LED Drivers
VFD Driver
Darlington Arrays
MOSFET & Power Driver
Power Management ICs
Battery Management
Volt References & Reset
Linear (LDO) Regulators
Switching Regulators
Charge Pumps
PFC / PWM...Controller
V - F Converter
Audio ICs
Audio Codec / Decoder
Audio Control & Power
Audio Rec/Playback
Audio Power Amplifier
Melody Music ICs
Amplifiers and Linear ICs
Current Shunt Monitor
Comparator
Op Amps
Instrumentation Amplifiers
Opto / Photocouplers ICs
Logic Ouput
Transistor Output
Triac & SCR Output
RF / RFID & IR Wireless
RF Remote control ICs
RF Transreceivers ICs
NFC / RFID ICs
IR Remote Control ICs
FM Radio ICs
Diodes & Rectifiers
Bridge Diodes
Standard Rectifiers
Fast Recovery Rectifiers
Switching Diodes
Schottky Diodes
Zener Diodes
TVS Diodes
Mosfets & FETs
DIP Package
SMD package
Transistors
DIP Transistors
SMD Transistors
Trias, Thyristors, SIDACs
TRIACs
Thyristors (SCR)
K2500G - SIDAC 250V
Fuses / Circuit Protection
ESD Suppressors
PTC Resettable Fuses
Fuse Holders & Accessories
Other Comp. & Accessori
LEDs
LED 1W
LED SMD-0603
LED SMD-0805
LED SMD-1206
LED SMD-1210
LED SMD-5050
Through Hole LED 3mm
Through Hole LED 5mm
LED Strip Lights
7-Segment LED Displays
7-SEG 3.0" (76.0 mm)
7-SEG 1.2" (30.6 mm)
7-SEG 0.56" (14.2 mm)
7-SEG 0.39" (10.0 mm)
7-SEG 0.36" (9.14 mm)
7-SEG 0.28" (7.0 mm)
LED Matrix
LCDs Display
Character LCDs
Graphic LCDs
Crystals & Oscillators
SMD Crystals
Through Hole Crystals
Through Hole Oscillator
Capacitors
Tụ Polypropylene
Varistor Capacitors
Super Capacitors
Multilayer ceramic CAP
DIP Ceramic capacitors
DIP Electrolytic Capacitors
DIP Electrolytic Capacitors DAEWOO
SMD Aluminum Capacitor
SMD Tantalum Capacitor
SMD Ceramic 0402 Cap.
SMD Ceramic 0603 Cap.
SMD Ceramic 0805 Cap.
SMD Ceramic SMD-1206 Cap.
SMD Ceramic 1210 Cap.
Resistors / Potentiometers
Trimmer Potentiometers
Resistors Networks, Array
1/8W Through Hole RES.
1/4W Through Hole RES.
2W Through Hole RES.
SMD 0402 1% Resistors
SMD 0402 5% Resistors
SMD 0603 1% Resistors
SMD 0603 5% Resistors
SMD 0805 1% Resistors
SMD 0805 5% Resistors
SMD 1206 1% Resistors
SMD 1206 5% Resistors
SMD 2010 1% Resistors
SMD 2010 5% Resistors
SMD 2512 5% Resistors
Inductors & Ferrite
Power Inductors
Through Hole Inductors
SMD 0402 Inductors
SMD 0805 Inductors
SMD 1210 Inductors
Ferrite bead / Chokes
Relays
Relay
Buzzer, Microphone
Buzzer
Microphone
Connectors & Sockets
IC Sockets
DIP IC Socket
ZIF IC Sockets
PLCC & SMD IC Sockets
Battery Holders, Clips
Banana Socket / Plug
DC power Connector
SIM Card Holder
RF / GSM Connector
MMC/SD Sockets
USB Connectors
Audio/Video Connectors
RJ45, RJ11, PS/2 Socket
Pin-headers & Jumper
IDC Sockets & Headers
D-Sub Connectors
Terminal Blocks
Swiches, Button, Joystick
Joystick
DIP Switches
Magnetic, Reed Switches
Tact Switches
Push Switches
Breadboard, Box
Breadboard
Tool Box
HeatSink
Heatsink
Cables and Wire
Wires Bus
Cables
Board Spacers, Standoffs
Screw PCB Pillars
Hex Space Male/Female
Hex Space F / Female
Visitors
Visitors Online :
224
Total accessing:
8354919
Filter by Manufacturer
Select a Manufacturer
4UCON
ABC
Ai Thinker
AIC
Allegro
Altera
Ampron
AMS
Analog Devices
Andorin
Aosong
APEM
APLUS
A-POWER
APPCON
Arduino
ARKLED
ASAIR
AST (A-Sung Tech)
ATMEL
Avago
AVX
Binh Minh Electronics
Bohua
BOKLES
Bothhand USA
Bourns Inc.
Burans
CEM
CF
Champion Micro
Cheng
Chong
CJ
Crownpro
CTS
Cypress
Daewoo
Dallas
Diodes Inc.
Eagle Power
Ebyte
ELNEC
EM Microelectronic
Enplas
EON
Espressif
Evercolor
Everlight
Everlight
Exar
Fairchild
FLUKE
Freescale
FriendlyARM
FTDI
Fujitsu
GCT
GigaDevices
GP
GTC
HanRun
Hantek
Hanwei Sensor
HC
HC Tech
Hitachi
Holtek
Honeywell
Hope
Hottech
HPDTeK
HUIKE
Humirel
HY
Infineon Technologies
Intersil
InvenSense
IR
Japan
JRC
JSCJ
JWCO
KAMCAP
KDS - Japan
KEFA
KSS
Lattice
Linear Technology
Lite-On Inc.
Littelfuse
Lodestar
LRC
Macroblock
Maxim
MaxLinear
MDD
Mean Well
MF
MIC
MICREL
Micro One
Microchip
Micron
MITEL
MKA
MORNSUN
Motorola
MPS
Murata
NDK
NEC
NEC/TOKIN
NIPPON CHEMI-CON
NORDIC
NS
Nuvoton
NVIDIA
NVIDIA, Waveshare
NXP
OEM
Omron
ON
Onsemi
Orange Pi
Orange PI
Panasonic
PCT
Philips
Polytronics Technology
Prolific
Pro'sKit
PTC
Pulse Electronics
Rainsun
Raspberry Pi
RDA
Realtek
Renesas
Richtek
ROHM
Rubicon (Japan)
Ruifeng
Samsung
Sanyo
Selittel
Semic
Semi-Fixed
Semtech
Sensirion
SEP
Sharp
Shenzhen
SHOUHAN
Silabs
Silan
SIMCOM
Sipex
SOFI-TECH
Songle
SST
ST
Stellarsource
Sunlord
SunmAte
Taiwan
TAIYO ELECTRIC
TAKAMISAWA
TAOS
TDK
Texas Instruments
Thiên Minh (TMe)
Thuchopy
TKE
TNI-U
Tontek
Toohong
Toolour
TOP
Top Power ASIC
Toshiba
TST
TXC
UniOhm
UniOhm
UTC
UTRON
VISHAY
VLSI
Waveshare
WCH
Winbond
WIZnet
Worldsemi
Würth Elektronik
Xeltek
Xeltek.cn
XGecu
Yageo
Yamachi
ZETEX
ZYO
Semiconductor & Sensor >
Driver & Motor control ICs
>
Motor Controllers & Driver
> L298N
Images are for reference only, Please See Product Specifications
(Click image to see the correct size)
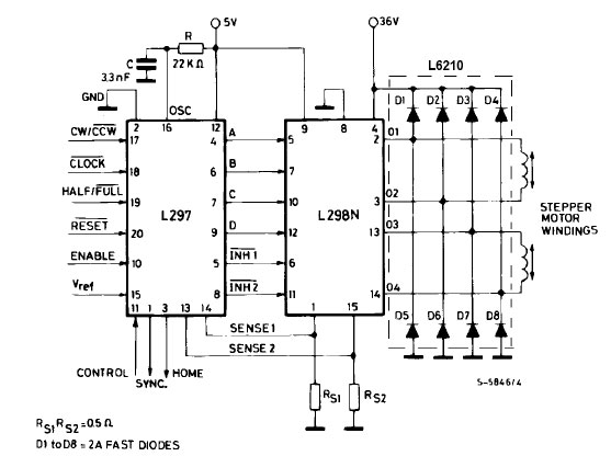
L298N
Full H-Bridge Driver Parallel 2A Multiwatt-15
(
Update 30/03/2022
)
Part No.:
L298N
Date added::
21/10/2013
Brand:
ST
Origin:
Genuine
Package:
TO-220(15)
Category:
Motor Driver
Pricing:
Quantity (pcs)
1 - 24
25 - 49
50+
Unit price (USD)
6.00
5.95
5.90
Product Unit:
pcs
In stock:
90 pcs
Views:
11948
Quantity:
Note:
Product information
Products related
Products equivalent
L298N
Full H-Bridge Driver Parallel 2A Multiwatt-15
Datasheets
L298
Other Related Documents
L298 View All Specifications
Standard Package
25
Category
Integrated Circuits (ICs)
Family
PMIC - Motor, Bridge Drivers
Series
-
Packaging
Tube
Motor Type - Stepper
Bipolar
Motor Type - AC, DC
Brushed DC
Function
Power Bridge - Logic Driven Power Stage
Output Configuration
Full H-Bridge, (2) Dual
Interface
Parallel
Applications
General Purpose
Current - Output
2A
Voltage - Supply
4.5 V ~ 7 V
Voltage - Load
4.8 V ~ 46 V
Operating Temperature
-25°C ~ 130°C
Mounting Type
Through Hole
Package / Case
Multiwatt-15 (Vertical, Bent and Staggered Leads)
Supplier Device Package
15-Multiwatt
Dynamic Catalog
Drivers
jQuery(this).corner();
L297
(100)
Pre-Driver Motor Controller Paralle...
Retail Price:
3.75 USD
jQuery(this).corner();
L297D
(9)
Pre-Driver Motor Controller Paralle...
Retail Price:
4.25 USD
jQuery(this).corner();
CD4077BM
(475)
QUAD XNOR (Exclusive NOR) GATE SOIC...
Retail Price:
0.35 USD
jQuery(this).corner();
L298 H-Bridge Board
(21)
Dual H-Bridge Module (L298N) for Mo...
Retail Price:
7.50 USD
jQuery(this).corner();
L6203
(0)
DMOS Full Bridge Driver, 48V 5A, Mu...
Retail Price:
7.75 USD
jQuery(this).corner();
L298P
(0)
Full H-Bridge Driver Parallel 2A Po...
Retail Price:
7.50 USD
jQuery(this).corner();
L298 Motor Shield
(0)
Motor Shield for Arduino Board (L2...
Retail Price:
14.00 USD
Items 9/14